分类:纠偏光电;型号:US-400S
超声波纠偏传感器应用高频超声波直线传播的原理,用来检测卷材的边缘位置。与光电传感器相比,不会受材料透明度的影响,所以使用时无需调节,非常方便。适用于不透气材料(例如塑料薄膜,纸张等等)的追边应用(透气材料例如布,无纺布不适用)。
■ 功能特点
| 跟踪方式 | 对边跟踪 |
| 电源输入 | DC12V |
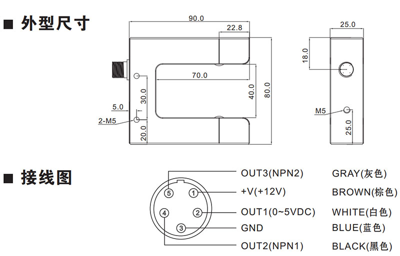
| 输出信号 | 模拟量输出0~5V双路开关量信号 |
| 检测范围 | 6mm(±3.0mm) |
| 检测精度 | ±0.05mm |
| 外壳材质 | 铝合金 |
| 重量 | 250g |

275683027
13305700496
